北京梦雨楼论坛,一品阁茶楼,深圳私人喝茶工作室,北京一品楼凤qm论坛

HDMI认证是什么?

2023-10-19   ?   orange

HDMI:(High Definition **** Inte***ce)高清多媒体接口是一种数字视频/音频接**术。2002年4月,日立、松下、飞利浦、Silicon Image、索尼、汤姆逊和东芝共同成立了HDMI高清多媒体接口组织,即HDMI协会。同年12月9日,HDMI1.0版标准正式发布,标志着HDMI技术正式进入历史舞台。今天已经更新到2.1版本。

HDMI优点:

HDMI最高数据传输速度为5Gbps,不仅能满足1080P的分辨率,还能支持DVD Audio等数字音频格式,支持8声道96kHz或立体声192kHz数字音频传输,同时传输无压缩音频信号和视频信号;

HDMI还具有“即插即用”的特点,信号源与显示设备之间会自动进行“协商”,自动选择最合适的视频/音频格式;

与传统接口相比,HDMI接口的体积更小。只要有HDMI电缆,最多可以取代13条模拟传输线,简化布线,提供最高质量的音视体验。所以它被广泛使用!

  常见的HDMI接口类型:

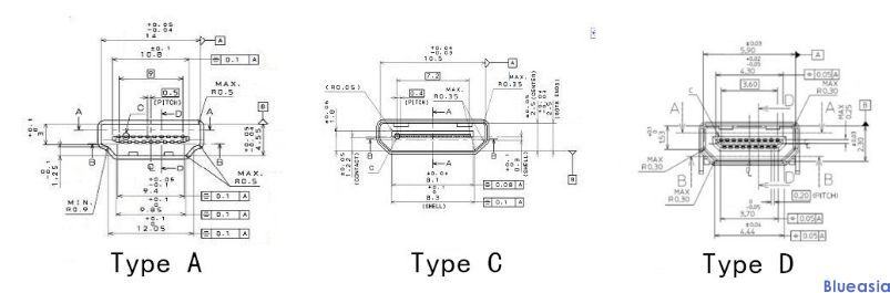
ADMI常用接口有A 、C、D、E四种接口:


HDMI认证是什么?(图1)


A Type:共有29pin,是目前最常用的类型,广泛应用于电视、显示器、电脑、机顶盒等;

C Type:俗称MiniHDMI,共有19pin,可以说是HDMIAtype的缩小版,但脚位定义发生了变化。主要用于便携式装置,如DV、数码相机、便携式多媒体播放机等;

D Type:俗称micro HDMI,保持hdmi标准的19pin .但尺寸与微型USB接口相似,尺寸为2.8mm×6.4mm,2.42mmmi hdmi×10.42mm)要小得多,主要用于一些小型移动设备,如手机、MP4等。

  为什么做HDMI认证:

HDMI可以在电缆上传输无压缩的高保真信号。由于HDMI数据贷款约有5Gbps,因此对传输质量有严格的要求。因此,HDMI认证保证了产品的通信质量,获得了HDMI合法认证的产品可以保证传输信号的质量和标准化;

此外,HDMI是一种专利强制性认证。如果客户使用HDMI技术(使用HDMI接口),则代表产品使用HDMI专利技术,并向HDMI协会申请认证授权,否则将是侵权行为。(这就是为什么许多客户会被海关拘留)。

  HDMI认证流程:

第一步:申请HDMI会员

第二步:样品测试

第三步:申报季度权利金


HDMI认证是什么?(图2)


<script> var _hmt = _hmt || []; (function() { var hm = document.createElement("script"); hm.src = "https://hm.baidu.com/hm.js?6844225bf949cff65b89ec7139b9ad0f"; var s = document.getElementsByTagName("script")[0]; s.parentNode.insertBefore(hm, s); })(); </script>
清水县uq8518| 德格县ijr70| 遵义市d8m6| 疏勒县lwe115| 漳平市9bl772| 万载县yrp339| 松溪县9ug622| 两当县9jl936| 佛冈县yl7464| 萍乡市vbn98| 池州市t7z508| 龙井市xjt142| 奉贤区7jh552| 牙克石市vd8840| 会东县yzk326| 龙游县j8d775| 临高县orn38